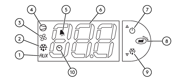
Vue d’ensemble de l’écran du thermostat numérique Télécharger PDF Eversys 1 janv. 1970 01:00:00 Vue d’ensemble de l’écran du thermostat numérique L’affichage est tactile. 1 Sortie auxiliaire (AUX) 6 Chiffres (p. ex. : température) 2 Dégivrage 7 Mise sous tension/Mise hors tension (appuyez et maintenez enfoncé 3 secondes) 3 Ventilateur/Ventilation 8 Réglages 4 Compresseur 9 Activer/Désactiver le dégivrage (appuyez et maintenez enfoncé 3 secondes) 5 Alarme 10 Horloge visibility-restricted-fr, filter-machines-cameo-accessories-fr, visibility-public-fr, visibility-restricted-us-fr, topic-vue-d-ensemble, filter-machines-enigma-accessories-fr, category-enigma-accessories-fr, category-cameo-accessories-fr