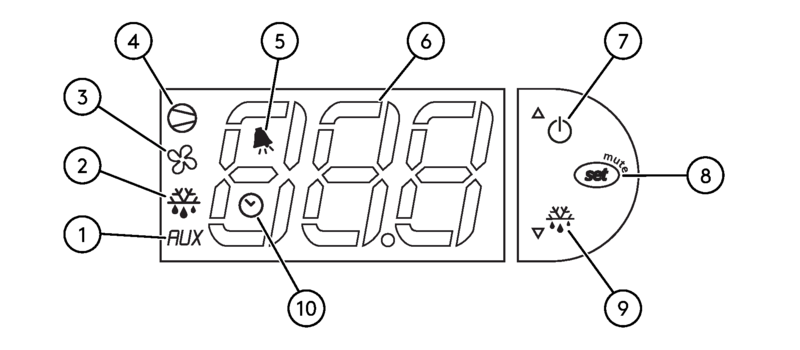
Übersicht über die Anzeige des digitalen Thermostats PDF herunterladen Eversys 01.01.1970 01:00:00 Übersicht über die Anzeige des digitalen Thermostats Die Anzeige ist berührungsempfindlich. 1 Hilfsausgang (AUX) 6 Ziffern (z. B.: Temperatur) 2 Abtauen 7 Einschalten/Ausschalten (3 Sekunden gedrückt halten) 3 Ventilator/Belüftung 8 Einstellungen 4 Kompressor 9 Abtauung aktivieren/deaktivieren (3 Sekunden gedrückt halten) 5 Alarm 10 Uhr visibility-public-de, visibility-restricted-us-de, visibility-restricted-de, filter-machines-cameo-accessories-de, topic-ueberblick, category-cameo-accessories-de, filter-machines-enigma-accessories-de, category-enigma-accessories-de